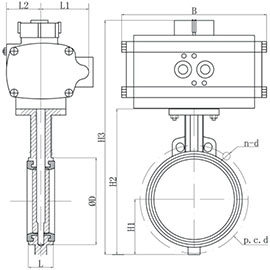
| DNDN(mm) | DN50~1200 |
| The range of actions | 0-90° |
| Air source pressure | 0.4~0.7 |
| differential pressure | 小于nominal pressure |
| nominal pressure | 0.6、1.0、1.6Mpa ANSI 150LB |
| body Material | Nodular cast iron, carbon steel, stainless steel |
Valve plate material | Nodular cast iron hard chromium plating, carbon steel, stainless steel |
Stem material | 45# steel, stainless steel |
Valve seat | Rubber, PTFE |
Trim structure | Midline seal |
Valve body type | Straight-through |
| Traffic characteristics | 近似等百分比 |
control method | Switch type, adjustable type |
| The form of action | Air-on type、gas-off type |
| Pneumatic executive body form | Single-acting、dual-acting |
| Optional executing mechanism | AT/GT pneumatic execution mechanism 、DRG fork pneumatic execution mechanism、 |
| Attachment | Electrical valve locators、solenoid valves、limit switches、locking valves、 air filtration relief valves、Handwheel mechanism |
| The form of the connection | Wafer connection |
| remarks | The specifications of the pneumatic executing mechanism are referenced to the configuration table of the executing agency |


| P.C.D | D | L | B | H1 | H2 | H3 | H4 | L2 | L3 | P.C.D | ||||||||
| 1.0Mpa | 1.6Mpa | 10K | 150Lb | 1.0Mpa | 1.6Mpa | 10K | 150Lb | |||||||||||
| 50 | 2" | 125 | 120 | 120.6 | 98 | 43 | 152 | 78 | 218 | 332 | 557 | 44 | 130 | 4月18日 | 4月18日 | 4月19日 | 4月20日 | |
| 65 | 2.5" | 140 | 140 | 139.7 | 116 | 46 | 152 | 83 | 235 | 338 | 573 | 44 | 130 | 4月18日 | 4月18日 | 4月19日 | 4月20日 | |
| 80 | 3" | 150 | 150 | 152.4 | 127 | 46 | 202 | 92 | 251 | 371 | 606 | 49 | 130 | 4月18日 | 8月18日 | 8月19日 | 4月20日 | |
| 100 | 4" | 175 | 175 | 190.5 | 154 | 52 | 202 | 106 | 284 | 404 | 639 | 49 | 130 | 8月18日 | 8月18日 | 8月19日 | 8月20日 | |
| 125 | 5" | 210 | 210 | 215.9 | 186 | 56 | 230 | 123 | 313 | 443 | 678 | 53 | 130 | 8月18日 | 8月18日 | 8月23日 | 8月23日 | |
| 150 | 6" | 240 | 240 | 241.3 | 212 | 56 | 271 | 136 | 339 | 484 | 719 | 63 | 130 | 8月23日 | 8月23日 | 8月23日 | 8月23日 | |
| 200 | 8" | 295 | 290 | 298.5 | 265 | 60 | 360 | 165 | 403 | 578 | 813 | 73 | 130 | 8月23日 | 12月23日 | 12月23日 | 8月23日 | |
| 250 | 10" | 350 | 355 | 355 | 362 | 332 | 68 | 389 | 198 | 466 | 661 | 84 | 12月23日 | 12月25日 | 12月25日 | 12月26日 | ||
| 300 | 12" | 400 | 410 | 400 | 431.8 | 376 | 78 | 389 | 229 | 536 | 730 | 84 | 12月23日 | 12月25日 | 16-25 | 12月26日 | ||
| 350 | 14" | 460 | 70 | 445 | 476.3 | 422 | 78 | 464 | 275 | 605 | 820 | 91 | 16-23 | 16-25 | 16-25 | 12月29日 | ||
| 400 | 16" | 515 | 525 | 510 | 539.8 | 480 | 102 | 720 | 320 | 680 | 1240 | 107 | 16-25 | 16-30 | 16-27 | 16-29 | ||
| 450 | 18" | 565 | 585 | 565 | 577.9 | 538 | 114 | 838 | 40 | 730 | 1390 | 200 | 20-25 | 20-30 | 20-27 | 16-32 | ||
| 500 | 20" | 620 | 650 | 620 | 635 | 590 | 127 | 924 | 362 | 792 | 1550 | 225 | 20-25 | 20-34 | 20-27 | 20-32 | ||
| 600 | 24" | 725 | 770 | 730 | 749.3 | 680 | 154 | 1062 | 380 | 850 | 1670 | 250 | 20-30 | 20-41 | 24-33 | 20-35 | ||













+86 0519 88188561
+86 159 5121 9765
info@wheat-auto.com